Blackweek priser ända fram till JULAFTON. Använd Koden Black25 i kassan! Avvisa
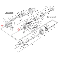
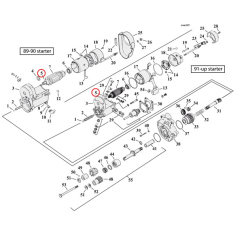
HD&CUSTOM
Den här produkten kan inte köpas.
”Axle spacer, collar. drum brake & rigids – 52-78 K, XL Sportster med bak trumbroms ; Anpassad användning med styva ramar” har lagts i din varukorg. Visa varukorg